technologie
home NORKOM
nowe technologie
Kontakt
Nasi dostawcy
Lista referencyjna

© NORKOM 2008

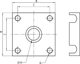
Wysokotemperaturowe podwójne rolki (Kombirolle) Typ HT rolka osiowa stała - płyta montażowa

Informacja o produkcie Płyta montażowa Profile Projektowanie CAD-Download


Typ HT rolka osiowa stała
Typ A B C D E Ø F G Ø H t Pier¶cienie dystansowe t=0,5mm Pier¶cienie dystansowe t=1,0mm
AP 0 100 60 40 40 80 10,5 M10 30 10 DS-0-0,5 DS-0-1,0
AP 1 120 80 50 50 90 12,5 M12 35 15 DS-1-0,5 DS-1-1,0
AP 2 120 80 50 50 90 12,5 M12 40 15 DS-2-0,5 DS-2-1,0
AP 3.1 160 100 60 60 120 17,0 M16 45 20 DS-3.1-0,5 DS-3.1-1,0
AP 4 180 120 80 80 140 17,0 M16 60 20 DS-4-0,5 DS-4-1,0
AP 6 200 150 100 100 160 17,0 M16 60 20 DS-6-0,5 DS-6-1,0
Typ HT rolka osiowa stała
Typ B C G Ø H Ciężar Pier¶cienie dystansowe t=0,5mm Pier¶cienie dystansowe t=1,0mm
AP 0-Q 60 40 M10 30 0,28 kg DS-0-0,5 DS-0-1,0
AP 1-Q 80 50 M12 35 0,75 kg DS-1-0,5 DS-1-1,0
AP 2-Q 80 50 M12 40 0,75 kg DS-2-0,5 DS-2-1,0
AP 3-Q 120 90 M16 45 1,85 kg DS-3-0,5 DS-3-1,0
AP 4-Q 120 80 M16 60 2,20 kg DS-4-0,5 DS-4-1,0
AP 6-Q 150 100 M16 60 3,4 kg DS-6-0,5 DS-6-1,0

powrót

(karta nr 2149)