| Kontakt |
| Nasi dostawcy |
| Lista referencyjna |
© NORKOM 2008 |
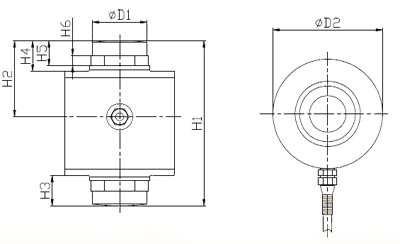
ModelIGS418 Charakterystyka Produktu: IGS418 kolumnowy wykonany ze stali nierdzewnej lub ze stali stopowej. Pełne uszczelnienie predyscynuje do użytku w trudnych warunkach przemysłowych. Zastosowanie ważeniu zbiorników i silosów. |
![]() |
Jednostka:
|
Wymiary |
H1 |
H2 |
H3 |
H4 |
H5 |
H6 |
D1 |
D2 |
Smax* |
RF** |
|
7.5t |
89 |
44 |
17 |
23 |
11 |
6 |
28 |
65 |
4.5 |
11Kn |
|
15t |
89 |
44 |
17 |
23 |
11 |
6 |
28 |
65 |
4.5 |
20KN |
|
22.5t |
89 |
44 |
17 |
23 |
11 |
6 |
28 |
65 |
4.5 |
30KN |
|
30t |
140 |
70 |
26 |
28 |
13 |
6.5 |
39 |
81 |
10.5 |
34KN |
|
40t |
150 |
75 |
31 |
33 |
13 |
11.7 |
39 |
81 |
10 |
37KN |
|
50t |
178 |
89 |
32 |
34 |
17 |
8.5 |
44 |
99 |
9 |
51KN |
|
100t |
178 |
89 |
38.5 |
38.5 |
17 |
12 |
62 |
141.3 |
11.5 |
152KN |
|
150t |
210 |
105 |
42.7 |
42.7 |
20.6 |
12.8 |
76.2 |
165.1 |
14.5 |
240KN |
|
300t |
280 |
140 |
55.9 |
55.9 |
25 |
21.5 |
100 |
165.1 |
15 |
468KN |
Parametry techniczne:
|
Nośność (zakres) |
7.5/15/22.5/30/40/50/100/150/300t |
|
Czułość pomiarowa |
(3.0±0.1 %) mV/V |
|
Błąd kombinowany |
±0.05 % F.S |
|
Błąd powtarzalny (30 min) |
±0.02% F.S |
|
Niezrównoważenie zera |
±1% F.S |
|
Temperaturowy dryft zera |
±0.017% F.S/10°C |
|
Temperaturowy dryft zakresu |
±0.017% F.S/10°C |
|
Rezystancja wejściowa |
750±5Ω |
|
Rezystancja wyjściowa |
702±2Ω |
|
Rezystancja izolacji |
≥5000MΩ |
|
Zakres temperatury pracy |
-30~+70°C |
|
Maksymalne obciążenie |
150%F.S |
|
Obciążenie niszczące |
250%F.S |
|
Rekomendowane napięcie zasilania |
10~12V DC |
|
Maksymalne napięcie zasilania |
15V DC |
|
Klasa ochrony |
IP67/IP68 |
|
Materiał |
-A: Stal stopowa, -SS: Stal nierdzewna |
|
Długość kabla |
Długość=12m(7.5 ~22.5t), 18m(30~300t) |
|
Certyfikowany |
GB/T7551-1997/ OIML R60 |
|
Podłączenie |
Czerwony(Input+),Czarny(Input-),Zielony(Output+), Biały(Output-) |
Wymiary:
[dokumentacja techniczna]
505 KB