technologie
 
Home O nas Nasi dostawcy Lista referencyjna Kontakt Zamówienia zamówienia


Zawory Christian Bollin - Akcesoria do kolektorów

Zawory Christian Bollin

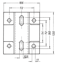
Uniwersalny uchwyt do rozdzielaczy, ścianie lub ochrony przypadku montażu

płyta montażowa z 2 allen śruby M 10 i 2 podkładki o średnicy 10,5

Zawory Christian Bollin
Materiał Numer zamówienia
stali ocynkowanej płyta montażowa VB1
SS płyta montażowa VB2

Uniwersalny uchwyt do montażu kolektorów i na rurze 2 "

płyta montażowa z 2 allen śruby M 10 i 2 podkładki o średnicy 10,5 i 2 szt. fixingbolts 2 "z 4 nakrętki M8 i 4 podkładki 8,5 średnicy.

Zawory Christian Bollin
 Materiał Numer zamówienia
stali ocynkowanej  VB1
SS  VB2

Uchwyt do paska dostępne zawory

Zawory Christian Bollin

W tym przedziale bar-stock zaworów (typ B1-B3, strona B1-B5) zostanie zamontowany na blachy lub na posiadacza instrumentu pomiaru zgodnie z normą DIN 16281 (patrz strona Z6). Uchwyt może być również spawane pod zaworem.

tworzywo Numer zamówienia
SS Laschek2

Śruby do Rozdzielacze

Zawory Christian Bollin
Wymiary Materiał Numer zamówienia
M 10 x 50 DIN EN 24014 (DIN 931) ocynk. stal Schraube1M1050
SS Schraube2M1050
M 10 x 55 DIN EN 24014 (DIN 931) ocynk. stal Schraube1M1055
SS Schraube2M1055
M 10 x 60 DIN EN 24014 (DIN 931) ocynk. stal Schraube1M1060
SS Schraube2M1060
M 12 x 50 DIN EN 24014 (DIN 931) ocynk. stal Schraube1M1050
SS Schraube2M1050
M 12 x 55 DIN EN 24014 (DIN 931) ocynk. stali. Schraube1M1255
SS Schraube2M1255
M 12 x 60 DIN EN 24014 (DIN 931) Sgalv. stal Schraube1M1260
SS Schraube2M1260
7 / 16 - 20 UNF x 2 "ANSI 18.2.1 ocynk. stal Schraube17162
SS Schraube27162
7 / 16 - 20 UNF x 2 1 / 4 "ANSI 18.2.1 ocynk. stal Schraube1716214
SS Schraube2716214
7 / 16 - 20 UNF x 2 1 / 2 "ANSI 18.2.1 ocynk. stal Schraube1716212
SS Schraube2716212
7 / 16 - 20 UNF x 3 1 / 4 "ANSI 18.2.1 ocynk. stal Schraube1716314
SS Schraube2716314
7 / 16 - 20 UNF x 3 1 / 2 "ANSI 18.2.1 ocynk. stal Schraube1716312
SS Schraube2716312

powrót

(karta nr 4141)